Kołnierz gwintowany rewolucjonizuje łączność rurociągów, oferując bezpieczne, wolne od spawów rozwiązanie do łączenia rur gwintowanych, co czyni go najlepszym wyborem w środowiskach, w których bezpieczeństwo i możliwości dostosowania nie podlegają negocjacjom. Zaprojektowany z precyzyjnym gwintem wewnętrznym, kołnierz ten bezproblemowo integruje się z rurami lub systemami ze stali ocynkowanej, w których spawanie jest zabronione – na przykład w przypadku materiałów łatwopalnych, wybuchowych lub bardzo wrażliwych obiektów przemysłowych. Jego innowacyjna konstrukcja eliminuje ryzyko pożaru związane ze spawaniem, zapewniając zgodność z rygorystycznymi protokołami bezpieczeństwa, a jednocześnie zapewniając solidne, szczelne uszczelnienie, które wytrzymuje wysokie ciśnienie. Połączenie gwintowe umożliwia szybką instalację i demontaż, umożliwiając zespołom konserwacyjnym rozwiązywanie problemów lub modernizację systemów bez specjalistycznego sprzętu, redukując przestoje w krytycznych operacjach, takich jak przetwarzanie chemiczne, dystrybucja ropy i gazu czy produkcja farmaceutyczna.
| Rozmiar | DN15 (1/2")-DN600 (24") |
| Ocena ciśnienia | 0,6-4,0 MPa |
| Zakres temperatur | -45 ℃ do 260 ℃ |
| Certyfikat | PED, AD2000, EAC, ABS, BV, DNV, NORSOK M650, ISO9001, ISO14001, ISO45001 itp. |
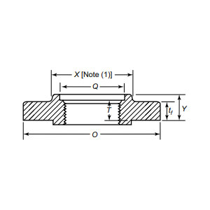
| Wprowadzenie do funkcji | Gwintowany kołnierz łączy się z gwintowaną rurą za pomocą wewnętrznego gwintu rury, co eliminuje spawanie. Idealny do rur stalowych ocynkowanych lub w ograniczonych warunkach spawalniczych (łatwopalne/wybuchowe). Charakteryzuje się łatwą instalacją i elastyczną konserwacją, szczególnie nadaje się do stali stopowej i innych materiałów o słabej spawalności. |
| Pola aplikacji | Zastosowanie do połączeń kołnierzowych rur w dalekobieżnych rurociągach ropy i gazu, platformach wiertniczych, sprzęcie chemicznym, systemach uzdatniania wody oraz przemyśle spożywczym i farmaceutycznym, przystosowane do skomplikowanych warunków pracy. |
| Pakowanie | Opakowanie nadające się do żeglugi, skrzynie ze sklejki lub paleta lub zgodnie z wymaganiami klienta |
| Polecane produkty | 1. Minimalne zamówienie w małej partii; |
Idealny do materiałów podatnych na wyzwania spawalnicze, takich jak stal stopowa, kołnierz gwintowany zachowuje integralność materiału, unikając kruchości lub zniekształceń spowodowanych ciepłem. Jego odporna na korozję konstrukcja, dostępna w wykonaniu ze stali węglowej lub stali nierdzewnej, zapewnia trwałość nawet w trudnych warunkach, od morskich platform wiertniczych po systemy sanitarne dopuszczone do kontaktu z żywnością. Kołnierz ten, wspierany przez rygorystyczną zgodność ze światowymi normami, gwarantuje niezawodność w zastosowaniach o wysokich stawkach, w tym w układach hydraulicznych, rurociągach kriogenicznych i transporcie płynów palnych. Dla branż, dla których priorytetem jest bezpieczeństwo, wydajność i opłacalna konserwacja, kołnierz gwintowany jest rozwiązaniem rewolucyjnym. Ulepsz swoją infrastrukturę już dziś dzięki naszym wysokiej jakości kołnierzom gwintowanym, w których innowacja łączy się z bezkompromisowym bezpieczeństwem, dzięki czemu Twoje systemy mogą działać bezbłędnie w najbardziej wymagających warunkach. Wybierz pewność, wybierz trwałość i na nowo zdefiniuj potencjał swojego rurociągu.
Od surowca po końcową dostawę, utrzymujemy rygorystyczną kontrolę na każdym etapie, aby zapewnić trwałość, wydajność i spójność.
01
02
03
04
05
06
07
08
09
10
11
12
