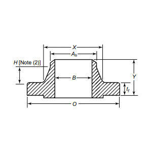
Kołnierz z szyjką spawaną to najlepsze rozwiązanie dla środowisk o wysokim ciśnieniu i wysokiej temperaturze, zaprojektowane tak, aby zapewnić niezrównaną niezawodność dzięki solidnemu połączeniu zgrzewanemu doczołowo i precyzyjnie wykonanej powierzchni uszczelniającej. Zaprojektowany do zastosowań krytycznych, kołnierz ten bezproblemowo integruje się z rurociągami za pomocą spoiny czołowej o pełnej penetracji, tworząc monolityczną strukturę wytrzymującą ekstremalne ciśnienia, wahania termiczne i naprężenia mechaniczne, co czyni go niezbędnym w rafineriach ropy naftowej, zakładach petrochemicznych i systemach energetyki jądrowej. Zwężana szyjka nie tylko wzmacnia integralność strukturalną, ale także minimalizuje koncentrację naprężeń, zapewniając długoterminową wydajność w wymagających warunkach. Proces produkcyjny — obejmujący zaawansowane kucie, odprężającą obróbkę cieplną, precyzyjne wykończenie, rygorystyczne badania nieniszczące (NDT) i antykorozyjną obróbkę powierzchni — gwarantuje komponent, który przekracza standardy branżowe w zakresie bezpieczeństwa i trwałości.
| Średnica | DN15 (1/2 cala) - DN3500 (138 cali) |
| Ciśnienie | 0,25-25 MPa |
| Certyfikat | PED, AD2000, EAC, ABS, BV, DNV, NORSOK M650, ISO9001, ISO14001, ISO45001 itp. |
| Wprowadzenie do funkcji | Połączenie spawane doczołowo zapewnia uszczelnienie o wysokiej wytrzymałości w zastosowaniach wysokociśnieniowych (HP) i wysokotemperaturowych (HT), zapewniając szczelność w ekstremalnych warunkach |
| Pola aplikacji | Zastosowanie do połączeń kołnierzowych rur w dalekobieżnych rurociągach ropy i gazu, platformach wiertniczych, sprzęcie chemicznym, systemach uzdatniania wody oraz przemyśle spożywczym i farmaceutycznym, przystosowane do skomplikowanych warunków pracy. |
| Pakowanie | Opakowanie nadające się do żeglugi, skrzynki ze sklejki lub paleta lub zgodnie z wymaganiami klienta |
| Polecane produkty | 1. Minimalne zamówienie w małej partii; |
Od rurociągów podmorskich odpornych na korozyjną wodę morską po turbiny parowe pracujące w palących temperaturach, kołnierze z szyjką spawaną zapewniają szczelne uszczelnienie i ciągłość działania. Branże wymagające bezkompromisowej jakości, takie jak systemy płynów lotniczych lub magazynowanie kriogeniczne, polegają na jego zdolności do utrzymania integralności w przypadku cyklicznego obciążenia i narażenia na działanie trudnych mediów. Łącząc doskonałą odporność materiału z precyzyjną inżynierią, kołnierz ten zmniejsza koszty cyklu życia poprzez zminimalizowanie przestojów i konserwacji. Dla inżynierów, których zadaniem jest ochrona infrastruktury obarczonej wysokimi stawkami, kołnierz z szyjką spawaną jest ostatecznym wyborem. Podnieś wydajność swojego systemu już dziś dzięki naszym wysokiej jakości kołnierzom z szyjką spawaną — w których najnowocześniejsza produkcja łączy się z odpornością klasy przemysłowej, umożliwiając Twoim operacjom pokonywanie ekstremalnych ciśnień, temperatur i czasu. Wybierz doskonałość, wybierz trwałość i zbuduj przyszłościowe podstawy dla swoich krytycznych systemów.
Od surowca po końcową dostawę, utrzymujemy rygorystyczną kontrolę na każdym etapie, aby zapewnić trwałość, wydajność i spójność.
01
02
03
04
05
06
07
08
09
10
11
12
