Kołnierz z przegubem zakładkowym na nowo definiuje elastyczność systemów rurociągów, oferując dynamiczne rozwiązanie do zarządzania naprężeniami związanymi z rozszerzalnością cieplną i kurczeniem, umożliwiając jednocześnie bezproblemowy demontaż w zastosowaniach niskociśnieniowych. Łącząc solidny pierścień kołnierzowy z obrotowym elementem kołnierzowym, ta innowacyjna konstrukcja umożliwia kontrolowany ruch osiowy rurociągów, skutecznie absorbując przesunięcia wywołane temperaturą bez uszczerbku dla integralności strukturalnej. Dostępny w dwóch konfiguracjach — z pierścieniem do spawania doczołowego (PJ/SE) do połączeń spawanych o wysokiej precyzji i typem z pierścieniem do spawania płaskiego (PJ/RJ) dla uproszczonej instalacji — zaspokaja różnorodne potrzeby operacyjne, zachowując jednocześnie szczelność. Wykonany z najwyższej jakości stali węglowej lub stali nierdzewnej kołnierz jest odporny na korozję i zużycie mechaniczne, zapewniając niezawodność w branżach takich jak przetwarzanie chemiczne, uzdatnianie wody i produkcja żywności, gdzie częsta konserwacja lub modernizacja sprzętu są rutyną.
| Średnica | DN50 (2") - DN2000 (80") |
| Ciśnienie | 0,6-2,5 MPa |
| Certyfikat | PED, AD2000, EAC, ABS, BV, DNV, NORSOK M650, ISO9001, ISO14001, ISO45001 itp. |
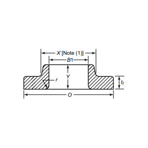
| Wprowadzenie do funkcji | W połączeniu z pierścieniem kołnierzowym i kołnierzem umożliwia osiowe przemieszczenie rurociągu i zmniejsza naprężenia związane z rozszerzalnością cieplną. Rodzaje: pierścień do zgrzewania doczołowego (PJ/SE) i pierścień do zgrzewania płaskiego (PJ/RJ). Nadaje się do rurociągów niskociśnieniowych wymagających częstego demontażu. |
| Pola aplikacji | Zastosowanie do połączeń kołnierzowych rur w dalekobieżnych rurociągach ropy i gazu, platformach wiertniczych, sprzęcie chemicznym, systemach uzdatniania wody oraz przemyśle spożywczym i farmaceutycznym, przystosowane do skomplikowanych warunków pracy. |
| Pakowanie | Opakowanie nadające się do żeglugi, skrzynki ze sklejki lub paleta lub zgodnie z wymaganiami klienta |
| Polecane produkty | 1. Minimalne zamówienie w małej partii; |
Mechanizm obrotowy upraszcza osiowanie podczas montażu, redukując koszty pracy i przestoje w systemach takich jak maszyny hydrauliczne, sieci HVAC lub modułowe konfiguracje przemysłowe. Izolując ruch kołnierza od naprężeń w rurociągu, wydłuża żywotność uszczelek i śrub, obniżając długoterminowe koszty wymiany. Od platform morskich wymagających kompensacji termicznej po zakłady farmaceutyczne wymagające sterylnych, łatwych do czyszczenia połączeń, kołnierz łączący zakładkowy zapewnia zgodność z normami ASME i EN, dostosowując się jednocześnie do zmieniających się wymagań operacyjnych. Wspierany rygorystycznymi testami i wszechstronną kompatybilnością, umożliwia inżynierom projektowanie odpornej, gotowej na przyszłość infrastruktury. Ulepsz swoje systemy rurociągów już dziś za pomocą naszych kołnierzy z połączeniami zakładkowymi — tam, gdzie precyzyjna inżynieria łączy się z wytrzymałością adaptacyjną, umożliwiając rozwój Twojej działalności w dynamicznych środowiskach. Wybierz elastyczność, wybierz wytrzymałość i odblokuj nową erę wydajności.
Od surowca po końcową dostawę, utrzymujemy rygorystyczną kontrolę na każdym etapie, aby zapewnić trwałość, wydajność i spójność.
01
02
03
04
05
06
07
08
09
10
11
12
