Kołnierz zgrzewany z gniazdem na nowo definiuje wysokociśnieniowe połączenia rurociągów, łącząc wyjątkową wytrzymałość z płynną dynamiką płynów, zaprojektowany tak, aby zapewnić niezrównaną wydajność w kompaktowych zastosowaniach wymagających wysokich stawek. Kołnierz ten, zaprojektowany do rur o małej średnicy, wykorzystuje konfigurację spawania kielichowego, która otacza złącze spawane w samym kołnierzu, eliminując zewnętrzne występy spoiny i minimalizując opory przepływu – to kluczowa zaleta w systemach, w których redukcja turbulencji i higiena są najważniejsze. Ukryte spoiny nie tylko usprawniają czyszczenie i inspekcję w sterylnych środowiskach, takich jak zakłady farmaceutyczne lub zakłady przetwórstwa spożywczego, ale także zwiększają integralność konstrukcji, wytrzymując wibracje i skoki ciśnienia w rafineriach ropy i gazu, reaktorach chemicznych lub liniach pary pod wysokim ciśnieniem. Precyzyjnie wykonany z kutej stali węglowej lub stali nierdzewnej, łączy w sobie odporność na korozję z wyjątkową wytrzymałością na rozciąganie, zapewniając szczelne uszczelnienie nawet w ekstremalnych temperaturach i ciśnieniach.
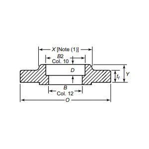
| Zakres średnic | DN15 (1/2 cala) - DN150 (6 cali) |
| Ocena ciśnienia | 1,6-16 MPa |
| Certyfikat | PED, AD2000, EAC, ABS, BV, DNV, NORSOK M650, ISO9001, ISO14001, ISO45001 itp. |
| Wprowadzenie do funkcji | Złącze do spawania kielichowego, Konstrukcja ukrytego spoiny zmniejsza opór przepływu, Zoptymalizowany do zastosowań o małych średnicach pod wysokim ciśnieniem, Doskonała skuteczność uszczelniania |
| Pola aplikacji | Zastosowanie do połączeń kołnierzowych rur w dalekobieżnych rurociągach ropy i gazu, platformach wiertniczych, sprzęcie chemicznym, systemach uzdatniania wody oraz przemyśle spożywczym i farmaceutycznym, przystosowane do skomplikowanych warunków pracy. |
| Pakowanie | Opakowanie nadające się do żeglugi, skrzynki ze sklejki lub paleta lub zgodnie z wymaganiami klienta |
| Polecane produkty | 1. Minimalne zamówienie w małej partii; |
Jego kompaktowa konstrukcja upraszcza instalację w ciasnych przestrzeniach, a solidne połączenie wytrzymuje cykliczną rozszerzalność cieplną, dzięki czemu idealnie nadaje się do platform morskich, turbin wytwarzających energię i układów hydraulicznych. Eliminując potencjalne słabe punkty i skracając cykle konserwacji, kołnierz ten umożliwia branżom priorytetowe traktowanie bezpieczeństwa bez uszczerbku dla wydajności. Wspierany przez zgodność z normami ASME B16.5 i rygorystyczne badania nieniszczące, gwarantuje niezawodność w operacjach o znaczeniu krytycznym. Dla inżynierów poszukujących kompaktowego rozwiązania wysokociśnieniowego, które łączy trwałość z optymalizacją płynów, kołnierz do spawania z gniazdem jest najlepszym wyborem. Ulepsz swoją infrastrukturę już dziś dzięki naszym precyzyjnie zaprojektowanym kołnierzom — tam, gdzie innowacja spotyka się z odpornością, umożliwiając Twoim systemom działanie z precyzją, bezpieczeństwem i niezachwianą pewnością. Wybierz doskonałość, wybierz wytrzymałość i przekształć potencjał swojego rurociągu.
Od surowca po końcową dostawę, utrzymujemy rygorystyczną kontrolę na każdym etapie, aby zapewnić trwałość, wydajność i spójność.
01
02
03
04
05
06
07
08
09
10
11
12
